バイクは事故が多いうえに取り返しのつかない状態になる可能性が高い乗り物です、ですからできるだ限りの安全対策はしたいものです。
夜間道が見えづらいのでライトを明るくすると自分が運転しやすくなるのでヘッドライトを明るいLEDバルブに交換するのも方法ですが、それだけでは自分が見やすくなるだけで相手から見やすくなる訳ではありません。
フォグランプを追加すると光源が増えて視認しやすくなるだけでなく距離感が分かりやすくなるというメリットが有ります、また日中も点灯させる事で視認性が上がり右直事故が起こるような状態でも直進してくる車に少しかもしれませんが早く気付いてもらえます。
海外通販のaliexpressやamazonの中華製品なら安く本体やスイッチを購入できます、私が購入したフォグランプ(フォグライト)はこれです、そしてそれを点灯/消灯させるスイッチはこれです。
それぞれamazonでも購入できますフォグ・スイッチ
フォグランプでも上側の配光がカットされていない物が普通に販売されていますが、これは上側の配光がカットされているので安心して爆光を使えます。

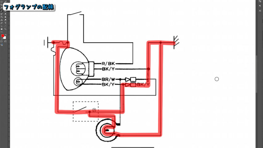
フォグランプの配線ですが、D-UNITなどから新たに配線するのがセオリーでしょうがヘッドライトをLED化したりして消費電力が減っているのでヘッドライト配線の系統から分岐させる事にしました。
フォグランプはメインとイカリングのライトが有るのですが、イカリングは昼間の視認性を上げる為にスモールランプと連動する形になっていてフォグランプのON/OFFスイッチはフォグのメインランプのON/OFFになります。

これがイカリングだけの状態

これがメインランプを点灯させた状態

これがLED1800lmのヘッドライトだけ点灯させた状態で

これがフォグランプを点灯させた状態、動画も見てもらったら分かりますが圧倒的です、本当に快適なので全てのバイクが取り付けるべきです。
強烈な光でヘッドライトが照らせない周囲を照らすので暗い夜道の右左折などで非常に助けになりますし、狭い道の十字路で見えない視界からくる車や大きな通りで後方からくる大型車に対して視認性が非常に高いので安全性が大幅に向上します。
動画で分かりやすく配線のやり方を説明しているので是非動画もご覧になってください。


コメント